Spécialisée dans la fabrication de la profileuse de tôles cintrées en Chine, Yingkou Bohai Machinery Equipment Manufacture Co., Ltd., dispose de plus de 10 ans d'expérience dans cette industrie. Notre profileuse de tôles cintrées BH est exportée dans plusieurs pays, notamment en Ukraine, Mexique, Roumanie, Inde, Emirats Arabes Unis, Afghanistan, Irak, et plus. Veuillez nous contacter pour vos besoins en profileuse ou ligne de profilage pour tôles cintrées BH.
| Spécifications techniques principales | |
| Dimensions | 8900mm×2230mm×2200mm | 
| Largeur d'alimentation | 600mm | 
| Envergure maximum | ≤35m | 
| Poids total | Environ 10000kg | 
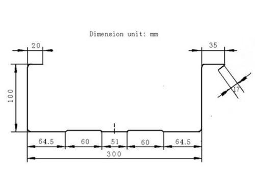
| Largeur efficace | 300mm | 
| Facteur d'opération de tôle | 50% | 
| Puissance moteur totale | 5.5kw | 
| Puissance de pliage | 3.0kw+1.5kw | 
| Puissance de sciage | 1.1kw+1.1kw | 
| Puissance de découpe | 3.0kw | 
| Système de contrôle | PLC et manuel | 
| Mode de découpe | Découpe mécanique | 
| Épaisseur de sillon | 100mm | 
| Matériau d'arbre de rouleau | acier 45# galvanisé | 
| Matériau de rouleaux | acier 45#, trempé à teneur élevée en chrome |